High-tech bojama protiv porasta temperatura u gradovima
Hlađenje i pod najjačom Sunčevom svjetlošću!
Stanovnici Los Angelesa, New Yorka, Londona, Madrida i Pariza se već duže vrijeme suočavaju s posljedicama porasta temperatura u svojim gradovima i problemom poznatijim kao efekt toplinskog otoka. Iako se neki od navedenih gradova s porastom vrućina pokušavaju boriti na razne načine – danima bez automobila, krovnim i vertikalnim vrtovima ili bijelim krovovima i prometnicama, temperature ipak neumoljivo rastu.
Istraživači su na tragu rješenja!
Tim stručnjaka sa Sveučilišta Columbia uspio je proizvesti tvar koja djeluje poput boje, ali je zapravo porozni polimerni premaz koji odražava Sunčevu svjetlost i toplinu zrači u atmosferu, čime se hlađenje postiže čak i pod najjačom dnevnom svjetlošću! Studija pod nazivom „Hijerarhijski porozni polimerni premazi za visoko učinkovito pasivno dnevno radijalno hlađenje (PDRC)“ objavljena je u časopisu Science 27. rujna 2018.
Ovaj polimerni premaz trebao bi pomoći pri hlađenju njime obloženih zgrada, ali i cijelog okolnog područja.
„Živimo u vremenu kada moramo razviti održiva rješenja za spas čovječanstva“, rekao je istraživač Yuan Yang za Eurek Alert. „Nužno je pronaći rješenja za borbu protiv klimatskih promjena, a mi smo vrlo uzbuđeni što radimo na ovoj novoj tehnologiji koja bi u toj borbi mogla pomoći“.
Ljudi se širom svijeta protiv visokih temperatura najčešće bore klima uređajima, međutim to nije energetski učinkovito rješenje. Pasivno dnevno radijalno hlađenje (PDRC) predstavlja pak učinkovitiju alternativu klimatizaciji te nudi hlađenje i ugodnije temperature uz malu potrošnju energije.


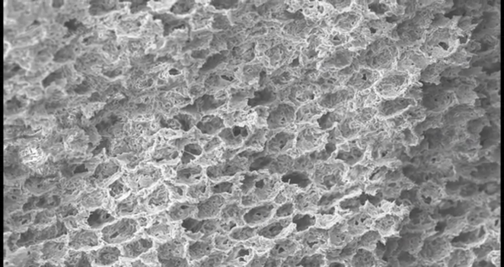
Kada je izložen Sunčevoj svjetlosti, porozni polimerni premaz reflektira Sunčevu svjetlost i emitira toplinu te postiže znatno hladnije temperature od tipičnih građevinskih materijala, pa čak i okolnog zraka / Fotografija: Jyotirmoy Mandal / Columbia Engineering
Nekoliko obloženih krovova neće imati prevelik utjecaj
Dosad su mnoge metode PDRC-a bile preskupe ili previše komplicirane za široku primjenu, no sada se javlja novi polimer. Bijela boja se trenutno smatra standardnom bojom ove metode hlađenja jer je jeftina, lako se primjenjuje i može odražavati svjetlost. Međutim, bijela boja apsorbira i toplinsku energiju, čime ovaj polimerni premaz prema novim istraživanjima postiže još učinkovitije hlađenje. Istraživači su naime pigment boje zamijenili sitnim rupama, tzv. zračnim prazninama, koje odražavaju svu svjetlosnu energiju, uključujući i toplinu.
„Pred nama je komercijalizacija novog proizvoda, a planiramo zatražiti i pomoć vlade“, ističe Yang za Eurek Alert.
No, glavni autor istraživanja Jyotirmoy Mandal tvrdi kako tek nekoliko obloženih krovova neće imati prevelik utjecaj i objašnjava kako će biti „potrebna široka primjena novog proizvoda na većem broju zgrada, što zahtijeva uključivanje politike i industrije.“
Neke druge tehnološke opcije koje bi mogle hladiti pregrijane svjetske gradove uključuju naravno i projektiranje zgrada s boljim strujanjem zraka, dodavanje filtara za zadržavanje topline u prozorima i stvaranje energetski učinkovitijih klimatizacijskih uređaja.
Tvorci nove high-tech boje nadaju se kako će njihov futuristički proizvod biti dodan listi mogućih rješenja.
S.F. / Ekovjesnik




